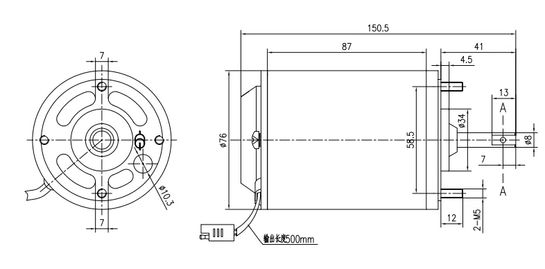
12VブラシレスDCモーター
用途:汎用、産業用、換気システムなど。
パッケージ: 標準輸出カートン。 20 個/ctn
MOQ:1000個
| モデル | 定格電圧 | スピード | 出力電力 | 定格電流 | 定格トルク | デューティサイクル | 絶縁 | 防水 |
| 76S-17/ゴールデン | DC12V | 760rpm | 11W | 2.2A | 0.1N.m | S1 | A | IP44 |

人気ラベル: 鳥の餌箱モーター 76s-17、中国の鳥の餌箱モーター 76s-17 メーカー、サプライヤー、工場, 数え切れないほどのアイテム, 無価値の製品, 途切れない製品, 統合されていないアイテム, ブロックされていない製品, 多面的な商品


